Categorias

Categorias
SIGA-NOS
Formulário de Contato

Inversor de frequência: Como configurar para acionamento remoto e controle analógico

20/12/2024

Suporte Técnico

Inversor de frequência: Como configurar para acionamento remoto e controle analógico
Inversor de frequência é um dispositivo eletrônico com a função de controlar a velocidade, acionamento e tensão de motores elétricos.

​O que é inversor de frequência:

Inversor de frequência é um dispositivo eletrônico com a função de controlar a velocidade, acionamento e tensão de motores elétricos. Ele atua variando a frequência e tensão enviadas para o motor.

Modo de acionamento: Com um inversor de frequência há diversas formas de realizar o acionamento de um motor elétrico, seja utilizando o seu próprio display, as entradas digitais ou até mesmo um protocolo de comunicação. Com isso, a escolha de como realizar esse acionamento pode variar de acordo com o projeto.
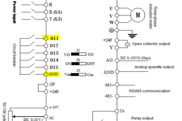
O modo de acionamento mais comum é utilizando as entradas digitais do inversor, com isso o inversor nos possibilita dar a partida no motor de forma automática, utilizando algum controlador, uma lógica com relés ou uma chave de duas posições.  Mais abaixo vamos mostrar como deve ser feita a configuração para esse tipo de acionamento e quais ligações devem ser feitas no inversor HV10.

Configuração: Primeiro devemos configurar o inversor para acionamento remoto e no caso desse modelo é o parâmetro 00.02 = 1 em seguida devemos escolher qual entrada vamos utilizar para acionamento, vou usar como exemplo a entrada DI1, após essa escolha vamos configurar essa entrada para acionamento checando assim se o parâmetro 02.13 = 3. Logo depois de realizar essa configuração devemos realizar as ligações no inversor.

Ligações para acionamento remoto:
Seguindo o digrama de acionamento do inversor, considerando as configurações feitas, para realizar a partida do motor devemos fechar um contato entre o GND com a entrada DI1. Enquanto o sinal estiver selado, o motor começa a girar respeitando os parâmetros de velocidade e rampa de aceleração.
 
Controle de velocidade: A respeito do controle de velocidade, já que o inversor também controla a frequência e a tensão enviada para o motor, ele nos dá opção de controlar essa frequência de algumas formas, sendo elas: potenciômetro do próprio display, multispeed, sinal analógico e protocolo MODBUS (RS485).
Tendo em visto essas opções, vamos detalhar sobre o controle de velocidade por sinal analógico (0-10V): primeiro devemos configurar o inversor para controle analógico utilizando o parâmetro 00.03 = 3, em seguida realizar a ligação de acordo com o manual do inversor.
Seguindo o manual percebemos que o sinal analógico deve ser conectado na entrada AI1 onde o comum é o GND. Caso utilizem um potenciômetro, o próprio inversor fornece uma alimentação de 10V.

Esse conteúdo foi útil?  Deixe um comentário :) 

Entre em contato com a equipe de engenharia da Policomp Componentes e tire suas dúvidas (11) 95208-1290 ou entre em contato com o time de vendas para cotação (11)91489-4503, teremos prazer em ajudar. 
 
Você precisa de componentes para automação industrial? Na Policomp você encontra tudo que precisa, além de contar com suporte técnico especializado.
Categorias