Categorias

Categorias
SIGA-NOS
Formulário de Contato

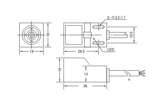
SENSOR DE PROXIMIDADE INDUTIVO; 5-36V; NPN; 4MM

Produtos > INDUTIVO
Cód. PLSN04-N
SENSOR DE PROXIMIDADE INDUTIVO; 5-36V; NPN; 4MM SENSOR DE PROXIMIDADE INDUTIVO; 5-36V; NPN; 4MM

Informações

Comprar Agora!

Modelo: PLSN04-N
Tensão de operação: DC 5-36V
Distancia de detecção: 4mm
Fios: 3
Tamanho: 18x18x36mm 
Saída: NPN / normal aberto
Solicitar Produto Condições Especiais para CNPJ

Características

  • Ligações
    Marrom: 5-36v
    Azul: 0v
    Preto: Saída / NPN