Categorias

Categorias
SIGA-NOS
Formulário de Contato

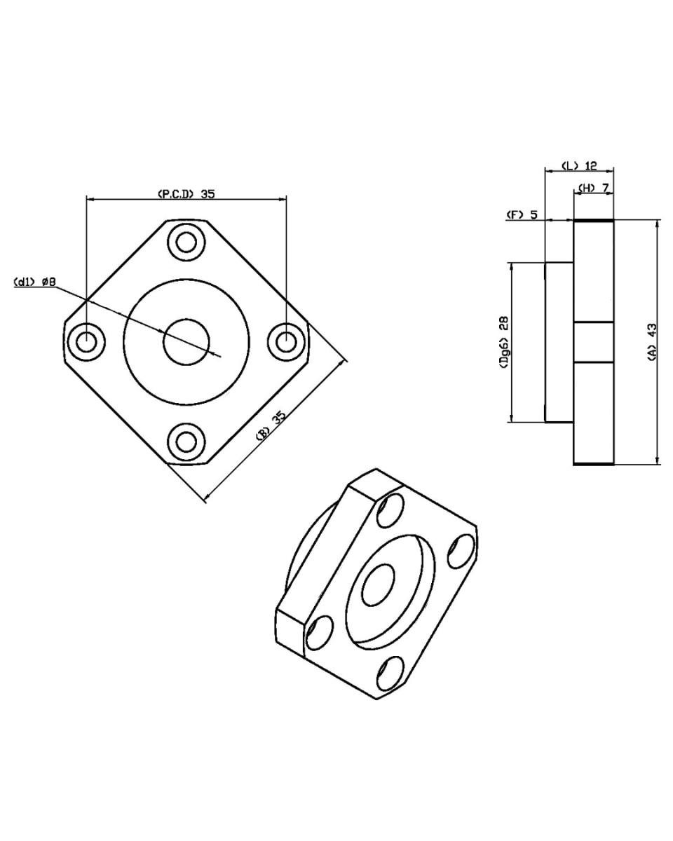
MANCAL PARA FUSO FF10

Produtos > MANCAL
Cód. 70194
MANCAL PARA FUSO FF10 MANCAL PARA FUSO FF10

Informações

Mancal tipo fixo com rolamento interno para fusos de esferas. Utilizados em fusos com usinagem padrão FKFF.

– Montagem com alta precisão e rolamentos angulares rígidos
– Superfície anti-ferrugem
– Tamanho compacto e fácil instalação em espaços apertados ou estreitos
– Instalação instantânea sem processos adicionais
– Múltiplos tamanhos e tipos disponíveis
Solicitar Produto Condições Especiais para CNPJ

Características

  • Material: Aço Carbono

    Peso Líquido: 0,1 Kg

    Tipos De Fixação: Frontal

    Anel Elástico: S 08

    Tipo De Rolamento: Fixo Blindado

    Rolamento: 608ZZ

    Limite De Rotação: Graxa 30 000 RPM – Óleo 36 000 RPM

    Lubrificação: Óleo ou Graxa