Categorias

Categorias
SIGA-NOS
Formulário de Contato

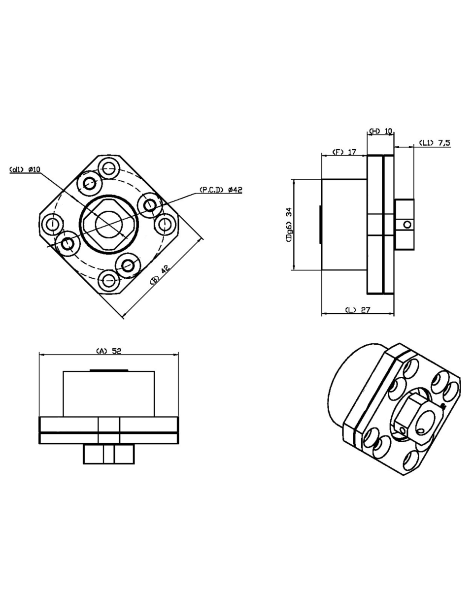
MANCAL PARA FUSO FK10

Produtos > MANCAL
Cód. 70201
MANCAL PARA FUSO FK10 MANCAL PARA FUSO FK10

Informações

Mancal tipo fixo com rolamento interno para fusos de esferas. Utilizados em fusos com usinagem padrão FKFF.

– Montagem com alta precisão e rolamentos angulares rígidos
– Superfície anti-ferrugem
– Tamanho compacto e fácil instalação em espaços apertados ou estreitos
– Instalação instantânea sem processos adicionais
– Múltiplos tamanhos e tipos disponíveis
Solicitar Produto Condições Especiais para CNPJ

Características

  • Material: Aço Carbono

    Peso Líquido: 0,25 Kg

    Tipos De Fixação: Frontal

    Tipo De Rolamento: Contato Angular

    Rolamento: 7000A

    Limite De Rotação: Graxa 24 000 RPM – Óleo 34 000 RPM

    Lubrificação: Óleo ou Graxa